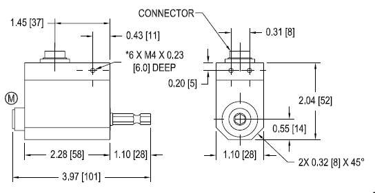
FUTEK TRH605 Rotary Torque Sensor
TRH605 สุดยอดผลิตภัณฑ์จาก FUTEK ประเทศสหรัฐอเมริกา
0 ถึง 0.5, 1, 2, 6, 12 หรือ 18 นิวตัน-เมตร (N-m)
FSH02037, FSH02038, FSH02039, FSH02040, FSH02041, FSH02042
เซนเซอร์ เซ็นเซอร์ วัด แรงบิด เซนเซอร์ วัด ค่า ทอร์ค แกน มอเตอร์ โหลด (Bridge Torque Sensors) วงจร จาก Strain Gage
ราคา ถูก ซื้อ ขาย ตัวแทน จำหน่าย ประเทศ ภาษา ไทย ติดต่อ sales@thisisit.co.th / 091-095-8123


